
工业级电子称重模块规格
规格参数:
|
产品型号 |
TSP24 |
TSP 54 |
TSP 53 |
TSP 103 |
TSP 203 |
TSP 303 |
|
容量 |
20 g |
50 g |
50 g |
100 g |
200 g |
300 g |
|
分辨率 |
0.2 mg |
0.5 mg |
1 mg |
1 mg |
2 mg |
2 mg |
|
重复性 |
0.2 mg |
0.5 mg |
1 mg |
1 mg |
2 mg |
2 mg |
|
线性 |
0.4 mg |
1.0 mg |
2 mg |
2 mg |
4 mg |
4 mg |
|
角差 |
0.8 mg |
2.0 mg |
4 mg |
4 mg |
8 mg |
8 mg |
|
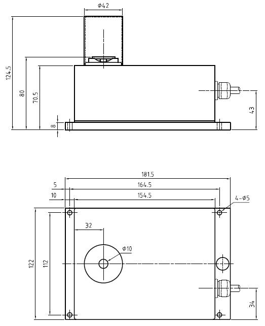
秤盘尺寸 |
Ø24mm(圆秤盘), Ø39mm (防转秤盘) |
|||||
|
称重稳定时间 |
0.4 s (从加载开始,到重量稳定在99.9%的时间) |
|||||
|
电气指标 |
||||||
|
工作电压和功率 |
24 VDC ± 15% ,<2 W |
|||||
|
采样速度 |
350 Hz |
|||||
|
RS232+RS485 |
光电隔离,9600~115200 bps |
|||||
|
通信协议 |
Modbus RTU |
|||||
|
数字输入 |
光电隔离,2路,10~24VDC(高电平),0~5VDC(低电平),3kΩ |
|||||
|
数字输出 |
光电隔离,4路,单路最大输出电流250mA,有过流保护 |
|||||
|
电缆接口 |
15芯屏蔽线,长度3m |
|||||
|
防护等级 |
IP67 |
|||||
|
工作温度 |
+10°C ~ +30°C |
|||||
|
工作湿度 |
<80% RH,无冷凝 |
|||||